Product Summary
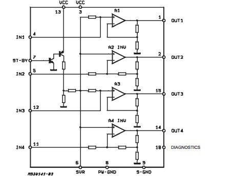
The TDA7377 is a dual/quad power amplifier for car radio. The exclusive fully complementary structure of the output stage and the internally fixed gain guarantees the highest possible power performances with extremely reduced component count. The on-board clip detector simplifies gain compression operation.
Parametrics
TDA7377 absolute maximum ratings: (1)operating supply voltage: 18V; (2)DC supply voltage: 28V; (3)peak supply voltage: 50V; (4)output peak current: 4.5A; (5)power dissipation: 36W; (6)storage and junction temperature: -40 to 150℃.
Features
TDA7377 features: (1)high output power capability; (2)minimum external components count; (3)no audibile pop during st-by operations; (4)diagnostics facility.
Diagrams

| Image | Part No | Mfg | Description |  | Pricing (USD) | Quantity | ||||
|---|---|---|---|---|---|---|---|---|---|---|
|  |  TDA7377 |  STMicroelectronics |  Audio DSPs 2X35W Pwr Amplifier |  Data Sheet |  Negotiable |  | ||||
|  |  TDA7377A |  STMicroelectronics |  Audio DSPs INFOTAINMENT S PWR |  Data Sheet |  Negotiable |  | ||||
 (China (Mainland))
 (China (Mainland)) 
                         
                        
 
                                    




