Product Summary
The TS514 is a quad operational amplifier. The internal phase compensation allows stable operation as a voltage follower in spite of its high gain bandwidth. The circuit presents very stable electrical characteristics over the entire supply voltage range, and is particularly intended for professional and telecom applications (such as active filters, for example).
Parametrics
TS514 absolute maximum ratings: (1)Supply voltage: ±18V; (2)input voltage: VDD-0.2 to VCC+0.2V; (3)differential input voltage: ±VCCV; (4)Storage temperature range: -65 to 150℃.
Features
TS514 features: (1)Low input offset voltage: 500 μV max; (2)Low power consumption; (3)Short-circuit protection; (4)Low distortion, low noise; (5)High gain bandwidth product; (6)High channel separation; (7)ESD protection 2 kV.
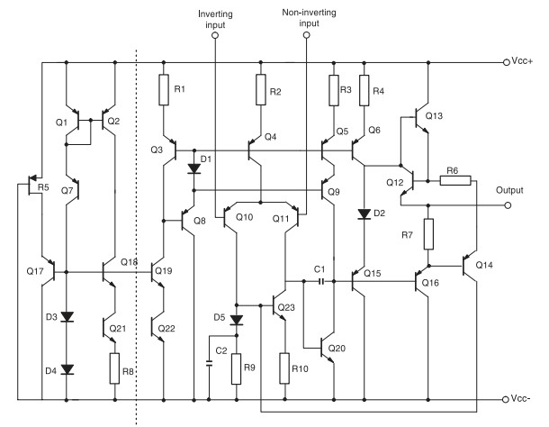
Diagrams

| Image | Part No | Mfg | Description |  | Pricing (USD) | Quantity | ||||||||||||
|---|---|---|---|---|---|---|---|---|---|---|---|---|---|---|---|---|---|---|
|  |  TS514 |  Other |  |  Data Sheet |  Negotiable |  | ||||||||||||
|  |  TS514A |  Other |  |  Data Sheet |  Negotiable |  | ||||||||||||
|  |  TS514AI |  Other |  |  Data Sheet |  Negotiable |  | ||||||||||||
|  |  TS514AID |  STMicroelectronics |  Operational Amplifiers - Op Amps Quad Prec Hi-Perform |  Data Sheet |  
 |  | ||||||||||||
|  |  TS514AIDT |  STMicroelectronics |  Operational Amplifiers - Op Amps Quad Prec Hi-Perform |  Data Sheet |  
 |  | ||||||||||||
|  |  TS514AIN |  STMicroelectronics |  Operational Amplifiers - Op Amps Quad Prec Hi-Perform |  Data Sheet |  Negotiable |  | ||||||||||||
|  |  TS514I |  Other |  |  Data Sheet |  Negotiable |  | ||||||||||||
|  |  TS514IDT |  STMicroelectronics |  Operational Amplifiers - Op Amps Quad Prec Hi-Perform |  Data Sheet |  
 |  | ||||||||||||
 (China (Mainland))
 (China (Mainland)) 
                         
                        
 
                                    




