Product Summary
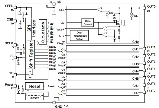
The L9823 is an octal low-side driver for bulb, resistive and inductive loads with serial input control, output protection and diagnostic. Output voltage clamping is provided for flyback current recirculation, when inductive loads are driven. Chip select and cascadable serial 8-bit Interface for outputs control and diagnostic data transfer.
Parametrics
L9823 absolute maximum ratings: (1)supply voltage: -0.3 to 7V; (2)continuous output voltage: -1.5 to 45V; (3)continuous output current: 03 to IOUT LIMA; (4)Output clamp energy: 50mJ; (5)output current: 2A.
Features
L9823 features: (1)Outputs current capability up to 0.5 A; (2)Cascadable SPI control for outputs; (3)Reset function with reset signal or undervoltage at VDD; (4)Programmable intrinsic output voltage clamping at typ. 50 V for inductive switching; (5)Overcurrent shutdown with latch-off for every write cycle (SFPD = low).
Diagrams

| Image | Part No | Mfg | Description |  | Pricing (USD) | Quantity | ||||||||||
|---|---|---|---|---|---|---|---|---|---|---|---|---|---|---|---|---|
|  |  L9823 |  STMicroelectronics |  Power Switch ICs - Power Distribution Octal Low Side |  Data Sheet |  Negotiable |  | ||||||||||
|  |  L9823013TR |  STMicroelectronics |  Power Switch ICs - Power Distribution Octal Lowside Driver Bulb, Resistive |  Data Sheet |  
 |  | ||||||||||
 (China (Mainland))
 (China (Mainland)) 
                         
                        
 
                                    




