Product Summary
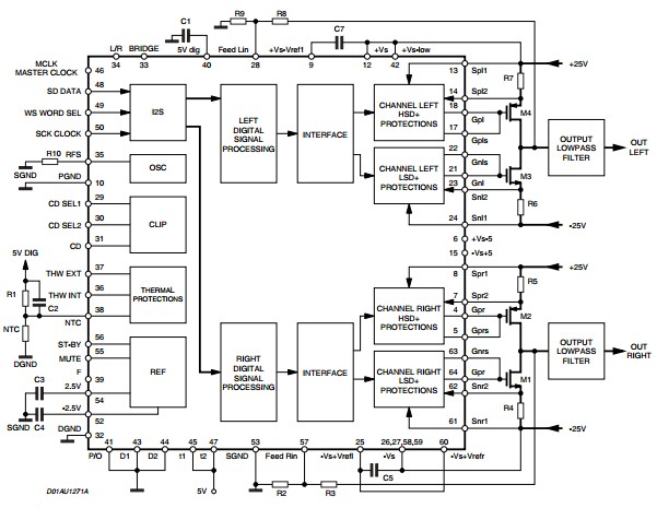
The TDA7571 is a fully digital high efficiency power audio amplifier. The maximum output current and voltage swing are depending by the output circuitry (power supply, external power transistors and sensing resistors). The device can work as a stereo single-ended channels or a mono bridge power amplifier.
Parametrics
TDA7571 absolute maximum ratings: (1)operating supply voltage: ±30V; (2)junction temperature range: -40 to 150℃; (3)storage temperature: -55 to 150℃.
Features
TDA7571 features: (1)Stereo/bridge operation selection; (2)Protections against short circuit across the load; (3)Chip thermal protection; (4)External temperature sensor possibility; (5)Thermal warning pins; (6)Adjustable clip detector pin.
Diagrams

 (China (Mainland))
 (China (Mainland)) 
                         
                        
 
                                    




